






CHD10-1036AA-S01 - Aire ambiente blanco de 36", 120 V, Berner Commercial High Performance Serie 10
Serie CHD10 (anteriormente CHC10)
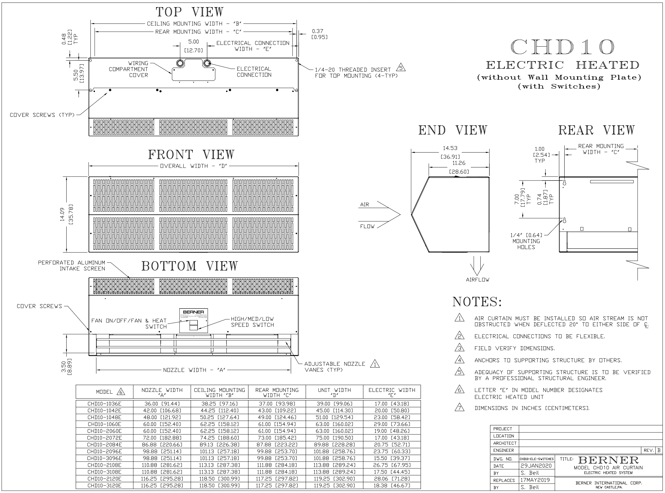
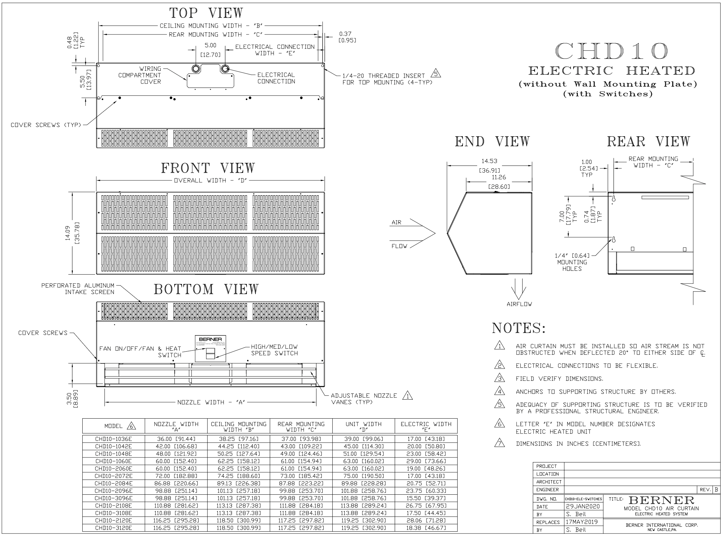
La cortina de aire de alto rendimiento de la serie comercial está diseñada para puertas de hasta 10 pies de altura para el control ambiental o 8 pies para el control de insectos. Es ideal para puertas de servicio, cocinas fantasma, sistemas de cintas transportadoras, puertas de envío, como alternativa a vestíbulos, entradas principales y otras áreas de alto tráfico. Esta cortina de aire tiene certificación UL, rendimiento certificado por AMCA, cumple con los requisitos de ASHRAE 90.1 y está fabricada en EE. UU. con una garantía limitada de 2 años. Crea un flujo de aire constante sobre la puerta, manteniendo el aire exterior separado del aire acondicionado o la calefacción.
- Modelos con calefacción eléctrica y ambiental certificados por AMCA
- Cumple con la norma ASHRAE 90.1-2019 y el código de construcción IECC que permite cortinas de aire certificadas por AMCA como alternativa a los vestíbulos.
- Ideal para entradas de servicio y entradas principales.
- Disponibles colores personalizados o acero inoxidable (grado 304 o superior).
- Fácil de instalar, operar y mantener.
- Hecho en EE.UU.
Disponible en longitudes individuales de 3′ a 10′
DOCUMENTOS DE APOYO:
- Manual de instalación y mantenimiento (CHD10)
- Hoja de datos (CHD10)
- Lista de piezas de repuesto/diagrama (CHD10)
AIRE AMBIENTE:
- 14″ de alto x 15″ de profundidad
- Motor(es) de tres velocidades y ½ hp
- Interruptor de velocidad del ventilador instalado de fábrica
- Cubierta exterior de aluminio blanco o negro (opcional: color personalizado, colores RAL 1000 a 9023 únicamente, o acero inoxidable)
- Montaje en pared y superior
- Opcional: Filtro (lavable)
ACCESORIOS (este modelo requiere un interruptor de activación independiente)
Paquete de control básico
Recomendado para aberturas donde la puerta permanece abierta por un periodo prolongado o no tiene mucho tráfico.
- La cortina de aire se enciende cuando se abre la puerta y se apaga cuando se cierra la puerta.
- Consiste en un interruptor de puerta (de rodillo, de émbolo o de láminas magnéticas) y un control de voltaje de línea o de 24 voltios.
Paquete de control de lujo
Recomendado para aberturas de alto tráfico.
- La cortina de aire se enciende cuando se abre la puerta, cuando la puerta se cierra, la unidad permanece encendida hasta que expire el tiempo de retardo establecido.
- Consiste en un interruptor de puerta (de rodillo, de émbolo o de láminas magnéticas), un retardo de tiempo y un control de voltaje de línea o de 24 voltios.
Berner ofrece una versión del paquete de control de automatización de los paquetes de control básico, de lujo y confort plus, estos permiten que la cortina de aire interactúe con los sistemas de automatización de edificios (BAS) o los controladores de puertas automáticos para encenderse o apagarse.
Paquete PureAir™ (opcional)
- Sistema de purificación de aire para el espacio interior de la puerta.
- Filtros MERV 8 (lavables)
- Tecnología de ionización bipolar de punta de aguja (NPBI)
Accesorios eléctricos
- Interruptores selectores de tres velocidades, montados a distancia
- Interruptores manuales/apagados/automáticos, montados a distancia
- Interruptor(es) de desconexión: de palanca, de montaje remoto
- Termostato remoto y tapa de bloqueo
- Sensor de temperatura remoto
Accesorios Mecánicos
- Extensión de boquilla para instalación sobre el techo
- Placa de montaje en pared
- Paquete penitenciario resistente a la manipulación
- Soporte de montaje del interruptor de la puerta del émbolo
- Filtro de entrada de aire lavable de aluminio de 3/8” – Montado en fábrica
Elige opciones






